- Úvod
- Rozvody vody
- Vodoměrné šachty
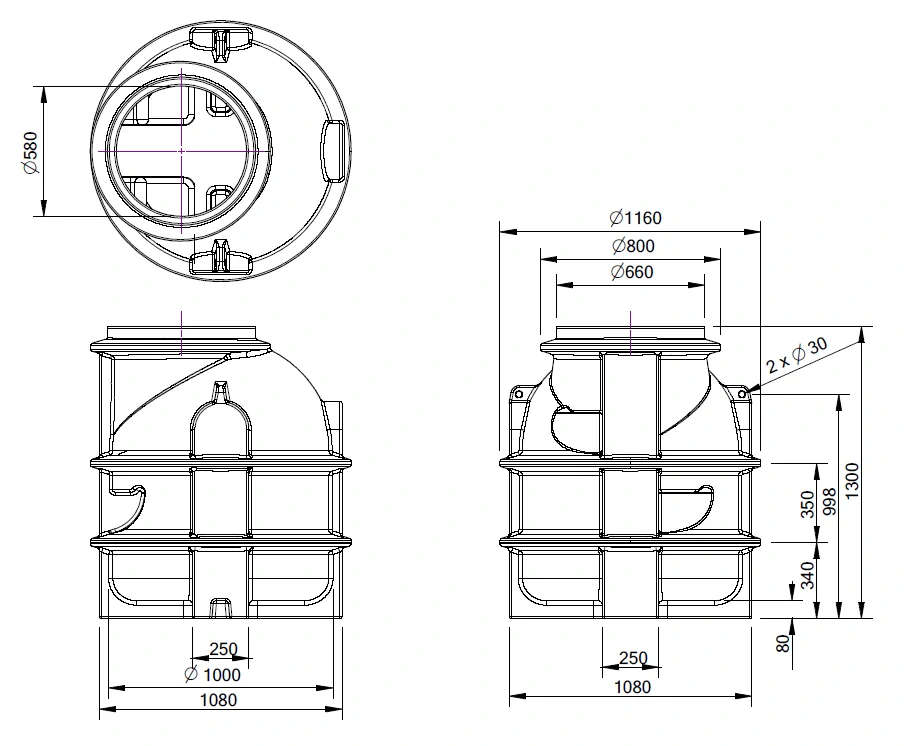
- Studniční šachta průměr 1000mm - výška 1300mm
Studniční šachta průměr 1000mm - výška 1300mm
- Český výrobek

- Kompletní specifikace
- Hodnocení 0
- Ke stažení
Studniční šachta průměr 1000mm - výška 1300mmSkladem u výrobce, expedujeme za 5-10 dnů10 498 Kč/ ks8 676 Kč bez DPH
Naše samonosná studniční šachta o rozměrech 1x1,3 m představuje ideální řešení pro bezpečné a efektivní zakrytí vrtů. Díky kvalitní konstrukci z rotačně odlévaného PE materiálu 1. jakosti dosahuje naše šachta výrazně vyšší odolnosti a životnosti než tradiční svařované šachty. Šachta je dodávána včetně uzamykatelného plastového víka, které má nosnost až 200 kg, a je vybavena pohodlnými stupadly pro snadný přístup.
Co je součástí produktu:
- Bezpečnostní kryt k nádržím s UV stabilizací
- Bezpečnostní plastový zámek (2 ks)
- Klíč pro zámek
- 1x vtokové těsnění - gumový prostup (průměr dle požadavku) DN110, DN125, DN160, DN200, DN250, DN300
- 1x průchodka pro čerpání vody (průměr dle požadavku) DN32, DN40, DN50, DN63
Hlavní výhody:
- Samonosná konstrukce: Šachta nevyžaduje žádné betonování. Stačí ji usadit na zhutněný podklad a obsypat tříděnou zeminou bez ostrých kamenů. To významně snižuje stavební náklady.
- Flexibilní provedení: Umožňuje vám zvolit umístění a průměr průchodek podle vašich potřeb. Dnové prostupy mohou mít průměr až DN300 mm, což zajišťuje univerzálnost pro různé aplikace.
- Odolnost a stálost: Naše šachty jsou vyrobeny z kvalitního PE materiálu, který se v průběhu let nedegeneruje. Při výrobě nepoužíváme recyklovaný materiál a konstrukce nemá žádné sváry, což zaručuje vysokou pevnost a odolnost.
- Přizpůsobitelné prostupy: Rádi na vaši žádost osadíme prostupy pro potrubí z vrtu, které si můžete vyvrtat také svépomocí na místě realizace. Podrobnosti si s vámi rádi upřesníme telefonicky dle vašich potřeb.
Technické parametry:
- Materiál: PE v barvě NATUR (bílá)
- Vnitřní průměr: 1000 mm
- Vnější průměr: 1160 mm
- Výška šachty: 1300 mm
- Průměr revizního otvoru: 600 mm
- Hmotnost: 45 kg
- Manipulační oka pro snadné přenášení
- Uzamykatelný zelený poklop s nosností 200 kg
- Záruka: 10 let
Doporučení: V případě výskytu spodní vody nebo zvýšeného statického zatížení doporučujeme konzultaci výběru šachty s vaším projektantem.
Zvolte si kvalitní a spolehlivé řešení pro vaše potřeby s naší samonosnou studniční šachtou!












.png)

