- Inženýrské sítě
- Sanitární technika
- Ostatní
- Úvod
- Nádrže a vsakování
- Samonosná nádrž 1,7m3 - technická voda
Samonosná nádrž 1,7m3 - technická voda
- Český výrobek
Přidáno do oblíbených
Produkt snadno najdete ve svém seznamu oblíbených, odkud jej můžete kdykoli přidat do košíku nebo sdílet s ostatními.
- Kompletní specifikace
- Hodnocení 0
- Ke stažení
- Související zboží1
Samonosná nádrž 1,7m3 - technická vodaSkladem u výrobce, expedujeme za 5-10 dnů14 687 Kč/ ks12 138 Kč bez DPH
Kompletní specifikace
Popis produktu: Samonosná odlévaná nádrž s užitným objemem 1,7 m³
Tato samonosná odlévaná nádrž s objemem 1,7 m³ je ideálním řešením pro široké spektrum využití v oblasti hospodaření s vodou. Je vhodná pro zachytávání splaškových a dešťových vod, slouží jako zásobní nádrž nebo technologická šachta.
Hlavní vlastnosti:
- Materiál: Vysoce kvalitní PE (polyethylen) 1. jakosti, vyrobeno technologií rotačního odlévání, bez svárů a recyklovaných materiálů, což zaručuje dlouhou životnost bez degradace.
- Nosnost: Uzamykatelný plastový poklop s nosností až 200 kg.
- Instalace: Samonosné provedení umožňuje instalaci bez potřeby betonování. Nádrž stačí umístit na zhutněný podklad a obsypat tříděnou zeminou (bez ostrých kamenů).
- Přizpůsobení: Možnost výběru velikosti a umístění nátoku (DN110 v ceně), stejně jako přidání odtoku nebo dalších prostupů pro čerpací techniku.
Využití:
- Retenční nádrž na dešťovou vodu
- Nádrž na splaškovou vodu
- Technologická šachta pro zavlažovací či bazénovou techniku
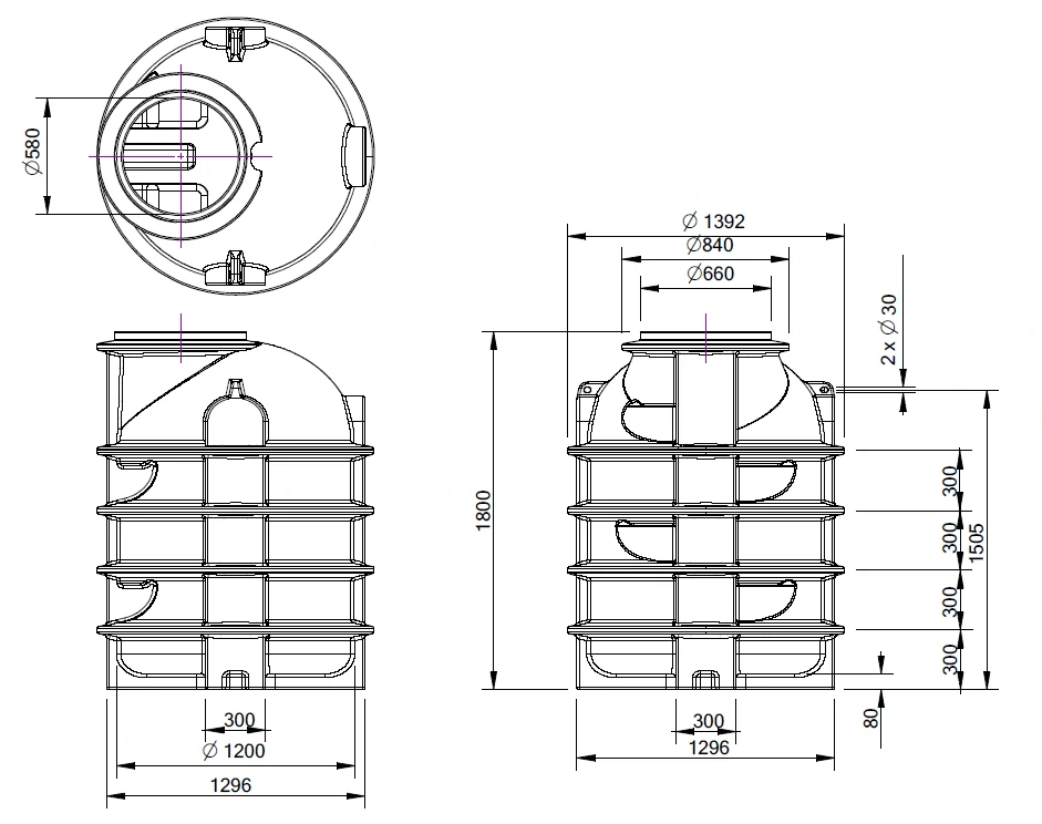
Rozměry a specifikace:
- Materiál: Polyethylen (PE) - NATUR (bílá)
Užitný objem: 1,7 m³
Výška nádrže: 1800 mm
Vnitřní průměr: 1200 mm
Vnější průměr: 1360 mm
Průměr revizního otvoru: 600 mm
Hmotnost: 80 kg
Nátok: DN 110 (možnost volby jiného průměru)
Manipulační oka: Ano
Poklop: Uzamykatelný, zelený s nosností 200 kg
Nášlapné schody: Ano, uvnitř nádrže
Záruka: 10 let
Doporučení: V případě výskytu spodní vody nebo zvýšeného statického zatížení doporučujeme konzultaci s projektantem nebo stavebním dozorem před instalací nádrže.
Tato nádrž nalezne uplatnění nejen na zahradách, u chat a mobilních domů, ale i v městské zástavbě, kde efektivně přispěje k hospodaření s vodou a ochraně životního prostředí.
Ke stažení
Související zboží 1
0 hodnocení
4 688 Kč
/
ks
3 874 Kč
bez DPH
4 688 Kč
/
ks
3 874 Kč
bez DPH
skladem
Zboží zařazeno v kategoriích










.png)

